地址:江苏省无锡市锡山区羊尖镇胶阳东路139号
联系人:钱先生
电话:0510-68229610
手机:138 1208 3566 / 130 7556 6506
传真:0510-68229612
邮箱:info@chinateneng.com
sales@chinateneng.com

【核心定位】
Powermax打造的缅甸稻壳气化发电标杆项目,以自主研发的DFBG下吸式固定床气化炉为核心,构建“农林废弃物资源化+绿色发电+气炭联产”全链条解决方案,为东南亚及全球农业产区提供可复制、高经济性的生物质能源转型方案。
【核心技术】
● 稻壳专属优化设计
结构上,采用Powermax自主研发的进料和出料系统,能完美适配稻壳细颗粒的输送和气化反应需求,无需复杂预处理即可稳定运行。
● 低焦油高效裂解
气化工艺上,燃气自上而下穿越高温炭层,焦油充分热解为小分子可燃气体,避免稻壳气化焦油含量高导致的设备堵塞,有效保护发电设备,降低运维成本。
● 气化产气
DFBG气化炉在高温欠氧环境下,将稻壳裂解为富含一氧化碳和氢气的可燃气体,经多级净化去除杂质,获得高洁净燃气。
● 发电联产
净化后燃气驱动中速燃气发动机或内燃机发电,电力并入当地电网;副产生物质炭收集后外销,实现“发电+产炭”双重收益。
● 余热利用
发电余热回收用于原料干燥、厂区供暖,提升能源综合利用率,系统热效率大于百分之八十五。
【技术优势】
产出的可燃气体可直接用于发电、供热、工业窑炉、绿色化工等下游场景。 系统聚焦稻壳、玉米芯、小麦芯等农林废弃物,解决农村用电难、废弃物处理难问题,带动农业废弃物资源化产业发展。

【技术参数】
| DFBG系列生物质气化发电系统技术规范 | |||||||||
| 产品型号 | 50DFBG | 100DFBG | 200DFBG | 300DFBG | 400DFBG | 500DFBG | 600DFBG | 800DFBG | 1000DFBG |
| 额定功率(kW) | 50 | 100 | 200 | 300 | 400 | 500 | 600 | 800 | 1000 |
| 额定频率(Hz) | 50/60 HZ | ||||||||
| 额定电压(V) | 220/400/440/6300/6600/11000/13800 | ||||||||
| 气化炉型号 | DFBG50 | DFBG100 | DFBG200 | DFBG300 | DFBG400 | DFBG500 | DFBG600 | DFBG800 | DFBG1000 |
| 气化炉类型 | 下气式固定床气化炉(DFBG) | ||||||||
| 生物质水分要求 | ≤16%(WB) | ||||||||
| 生物质尺寸要求 | <1cm | ||||||||
| 生物质消耗量(Kg/hr) | 50-100 | 100-200 | 200-400 | 300-600 | 400-800 | 500-1000 | 600-1200 | 800-1600 | 1000-2000 |
| 天然气产量(Nm3/h) | 125-150 | 250-300 | 500-600 | 750-900 | 1000-1200 | 1250-1500 | 1500-1800 | 2000-2400 | 2500-3000 |
| 灰分类型 | 干灰型 | ||||||||
| 气体净化类型 | 干式气体净化系统 | ||||||||
| 气体热量 | 1000-1100Kcal/Nm3 | ||||||||
| 气体成分 | CO: 15~20%;CO2: 8~12%;CH4: 最高4%;H2: 10~15%;N2:45~55% | ||||||||
| 发电机组型号 | 50GFLS | 100GFLS | 100GFLS | 300GFLS | 400GFLS | 500GFLS | 300GFLS | 400GFLS | 1000GFLS |
| 发电机组数 | 1套 | 1套 | 2套 | 2套 | 2套 | 1套 | 2套 | 2套 | 1套 |
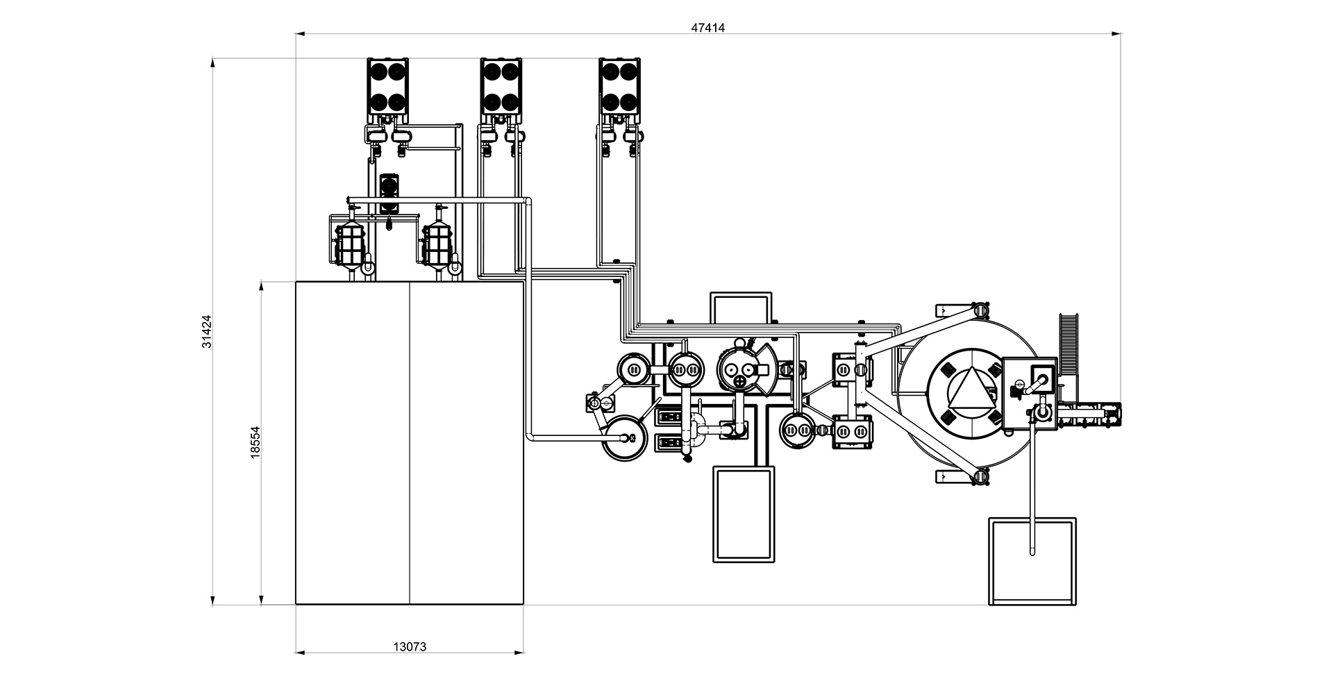
【系统尺寸】
- 正视图

- 顶视图

【全球项目落地】
· 缅甸12MW稻壳气化发电项目:
1.装机容量:12MW,采用多台DFBG-BC/S 系列气化炉并联组合。
2.落地成果:为缅甸伊洛瓦底省及周边村落提供稳定绿色电力,替代传统燃煤发电,改善区域生态环境;生物质炭产品远销东南亚,实现“能源+环保+经济”三重效益。
3.技术验证:宝麦绿能DFBG下吸式气化炉在高湿度、高灰分原料下连续运行,且无重大故障,验证了技术在海外复杂工况下的可靠性与适应性。

【项目价值】
1.能源价值:提供平价燃料,填补区域能源缺口,提升用电保障水平
2.环保价值:解决稻壳焚烧污染,推动绿色发展
3.社会价值:带动当地经济,促进就业,改善民生